Passat b6 numbrituled millised juhtmed
Moderaatorid: etnies858, J.Aru, GTI, dellu
-
dub1
- Huviline
- Postitusi: 1381
- Liitunud: 10 Okt 2010, 17:33
- Telefon: 5 8257569
- Auto: Passat b6.. 07a ja T5 multivan 2004
- Asukoht: Viljandimaa, Järvamaa
- Tänanud: 19 korda
- Tänatud: 12 korda
Passat b6 numbrituled millised juhtmed
Millised juhtmed on numbrituledele ja millised luugi avamis lülitile?
VäikeWürst - VW
-
dub1
- Huviline
- Postitusi: 1381
- Liitunud: 10 Okt 2010, 17:33
- Telefon: 5 8257569
- Auto: Passat b6.. 07a ja T5 multivan 2004
- Asukoht: Viljandimaa, Järvamaa
- Tänanud: 19 korda
- Tänatud: 12 korda
Passat b6 numbrituled millised juhtmed
Tegu siis 4 pin pistikuga. kõik juhtmed ühte värvi aga 2 peenemat ja 2 jämedamat. Mis juhe mille jaoks on?
VäikeWürst - VW
- volkar
- Huviline
- Postitusi: 1130
- Liitunud: 22 Okt 2010, 18:50
- Telefon: viis kaks 007 kolm üheksa
- Auto: Passat B6
- Asukoht: Võru
- Tänanud: 30 korda
- Tänatud: 34 korda
Passat b6 numbrituled millised juhtmed
kuni aprill 2007 oli numbritule jaoks kasutusel pin 2
Hell Was Full So I Come Back _ .. .. _
VW Passat B6 1.9TDI - 2007 - volkar ツ ツ
VW Passat B6 1.9TDI - 2007 - volkar ツ ツ
-
dub1
- Huviline
- Postitusi: 1381
- Liitunud: 10 Okt 2010, 17:33
- Telefon: 5 8257569
- Auto: Passat b6.. 07a ja T5 multivan 2004
- Asukoht: Viljandimaa, Järvamaa
- Tänanud: 19 korda
- Tänatud: 12 korda
Passat b6 numbrituled millised juhtmed
Ega juhuslikult mingit skeemi pole....
pin 2 on siis mis? mingi can liin?
kuna pirn vajab ju põlemiseks nii maansust kui plussi, siis kus saab pirn omale voolu? kuna üks peenike juhe ja üks jäme juhe diogonaalis on pagasiluugi avamiseks, siis kuhu lähevad teised 2( üks peenike ja üks jäme juhe).
Mis moodi see toimib? kuna need 2 mis üle seal pole ka voolu sees.
VäikeWürst - VW
- raitzzzz
- Huviline
- Postitusi: 267
- Liitunud: 08 Jaan 2008, 20:30
- Telefon: viisviiisviisviis7272
- Auto: Golf 2, Passat B6
- Asukoht: Tartu-Voore
- Tänanud: 2 korda
Passat b6 numbrituled millised juhtmed
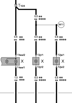
Kas peenem juhe mitte hall-pruun pole? Vaata lk21 https://passatworld.ru/othr/bz/b6ds/b6_wd_eng.zip
- R36
- Tunnustatud
- Postitusi: 8071
- Liitunud: 02 Mär 2009, 15:53
- Auto: SKODA KODIAQ 2022 2.0TDI 147kw 4x4
- Asukoht: TARTU
- Tänanud: 44 korda
- Tänatud: 202 korda
- Kontakt:
Passat b6 numbrituled millised juhtmed
Viimati muutis R36, 19 Okt 2019, 01:37, muudetud 1 kord kokku.
stefeli.ee - Hobiprojekt - VW/AUDI/SKODA/SEAT CarPlay/ODIS/Immobilisaatorid/Komponendikaitse/SVM jne...... Magnus
- volkar
- Huviline
- Postitusi: 1130
- Liitunud: 22 Okt 2010, 18:50
- Telefon: viis kaks 007 kolm üheksa
- Auto: Passat B6
- Asukoht: Võru
- Tänanud: 30 korda
- Tänatud: 34 korda
Passat b6 numbrituled millised juhtmed
pin 2 tuleb keskelektist vool lambile, pin 1 on siis lambi mass pooldub1 kirjutas: ↑18 Okt 2019, 20:52
Ega juhuslikult mingit skeemi pole....
pin 2 on siis mis? mingi can liin?
kuna pirn vajab ju põlemiseks nii maansust kui plussi, siis kus saab pirn omale voolu? kuna üks peenike juhe ja üks jäme juhe diogonaalis on pagasiluugi avamiseks, siis kuhu lähevad teised 2( üks peenike ja üks jäme juhe).
Mis moodi see toimib? kuna need 2 mis üle seal pole ka voolu sees.
pin 4 tuleb comfort plokist ja luugi nuppu ning pin 3 luugi nupu massi
Hell Was Full So I Come Back _ .. .. _
VW Passat B6 1.9TDI - 2007 - volkar ツ ツ
VW Passat B6 1.9TDI - 2007 - volkar ツ ツ
-
dub1
- Huviline
- Postitusi: 1381
- Liitunud: 10 Okt 2010, 17:33
- Telefon: 5 8257569
- Auto: Passat b6.. 07a ja T5 multivan 2004
- Asukoht: Viljandimaa, Järvamaa
- Tänanud: 19 korda
- Tänatud: 12 korda
Passat b6 numbrituled millised juhtmed
Sain asja ilusti timima ainult,et ma võtsin tuledele uue massi luugi enda küljest, kuna kui tuledele massi pistikust võtsin siis ei hakkanud ikka tööle.
Väike muudatus aga asi korras ja tänud kaasamõtlejatele.
Väike muudatus aga asi korras ja tänud kaasamõtlejatele.
VäikeWürst - VW

